What is a TO-247 Package?
The TO-247 package is a widely used through-hole semiconductor package designed for high-power applications. It is commonly used for devices such as MOSFETs, IGBTs, diodes, and power transistors that require efficient heat dissipation and high current handling.
TO-247 stands for “Transistor Outline 247”, and it is part of the JEDEC standard package family.
This package is especially popular in:
- Power supplies
- Electric vehicles (EVs)
- Industrial motor drives
- Renewable energy systems (solar inverters)
- High-voltage switching applications
Key Features of the TO-247 Package
The TO-247 package is engineered to handle demanding electrical and thermal conditions.
Main Characteristics:
- High current capability (typically up to 100A+ depending on design)
- High voltage support (600V, 1200V, 1700V and beyond)
- Low thermal resistance for efficient heat dissipation
- Large metal tab for direct heatsink attachment
- Through-hole mounting for mechanical stability
- 3-lead or 4-lead configurations
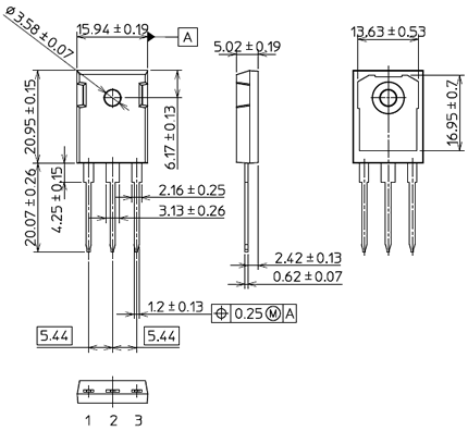
TO-247 Package Dimensions and Structure
Typical Mechanical Structure:
- Body width: ~15–16 mm
- Pin pitch: ~5.45 mm
- Tab thickness: optimized for thermal transfer
- Mounting hole for heatsink attachment
Pin Configuration:
Most common configurations include:
- 3-pin: Gate, Drain, Source (MOSFET)
- 4-pin (Kelvin source): Improved switching performance
Advantages of the TO-247 Package
1. Superior Thermal Performance
The large metal tab allows direct mounting to a heatsink, reducing junction temperature and improving reliability.
2. High Power Handling
TO-247 devices can handle significantly higher power levels compared to smaller packages like TO-220 or DPAK.
3. Low Parasitic Inductance
Especially in 4-pin versions, reducing switching losses and improving efficiency.
4. Mechanical Robustness
Through-hole mounting ensures strong PCB attachment in high-vibration environments such as automotive systems.
TO-247 vs Other Power Packages

Key takeaway:
TO-247 offers the best balance between performance, cost, and ease of integration for high-power designs.
Applications of TO-247 Devices
TO-247 is a standard choice in high-power electronics:
Industrial Systems
- Motor drives
- UPS systems
- Welding equipment
Automotive & EV
- On-board chargers (OBC)
- Inverters
- Battery management systems
Renewable Energy
- Solar inverters
- Wind power converters
Consumer & Computing
- High-end power supplies
- Server and data center power modules
Request a Quote
Share your project details and AnySilicon will help you identify the right semiconductor partners and cost drivers for your project.
Materials and Thermal Considerations
TO-247 packages are designed with materials optimized for thermal efficiency:
- Copper leadframe for conductivity
- Mold compound for insulation
- Metal tab (drain/collector) for heat transfer
Thermal Tips:
- Always use thermal interface material (TIM)
- Ensure proper heatsink mounting pressure
- Consider isolation pads if required
Emerging Variants of TO-247
Modern power electronics have introduced enhanced versions:
TO-247-4 (Kelvin Source)
- Reduces gate loop inductance
- Improves switching speed
- Ideal for SiC and fast-switching MOSFETs
Wide Bandgap Compatibility
Design Considerations for Engineers
When selecting a TO-247 device, consider:
- Voltage rating (Vds / Vce)
- Current rating (Id / Ic)
- Switching frequency
- Thermal resistance (RθJC)
- Package variant (3-pin vs 4-pin)
PCB Layout Tips:
- Keep short gate traces
- Minimize loop inductance
- Use thick copper layers for current paths
Sourcing TO-247 Semiconductor Devices
Finding the right TO-247 components can be challenging, especially for:
- Obsolete parts
- Long lead-time components
- Hard-to-find power semiconductors
At AnySilicon, we connect you with verified semiconductor suppliers for:
- TO-247 MOSFETs
- IGBTs
- Power diodes
- SiC devices
👉 Submit your request to get matched with trusted vendors.
Conclusion
The TO-247 package remains a cornerstone of modern power electronics due to its high thermal efficiency, robustness, and scalability.
As power density and efficiency demands continue to grow—especially in EVs and renewable energy—TO-247 and its advanced variants will continue to play a critical role in semiconductor design.